Маҳсулот
12КВ берунии сутуни васлкунандаи барқгиранда
  • 12КВ берунии сутуни васлкунандаи барқгиранда12КВ берунии сутуни васлкунандаи барқгиранда
  • 12КВ берунии сутуни васлкунандаи барқгиранда12КВ берунии сутуни васлкунандаи барқгиранда
  • 12КВ берунии сутуни васлкунандаи барқгиранда12КВ берунии сутуни васлкунандаи барқгиранда

12КВ берунии сутуни васлкунандаи барқгиранда

Model:ZW20-12F
Anqiang Power як истеҳсолкунандаи Чин аст, ки 12 кВ-и берунии сӯрохиро насб мекунад. Ин таҷҳизоти тақсимоти барқ, ки ба сутуни беруна насб шудааст, дорои шиддати номиналии 12 кВ буда, дар AC 50 Гц се фаза кор мекунад. Он дорои қобилиятҳои аълои дубора пӯшиданест, ки ҳангоми истифода бо контроллер, ҷавобгӯи талаботи системаҳои автоматикунонии тақсимот мебошад. Он пеш аз ҳама барои фурӯзон ва хомӯш кардани ҷараёнҳои сарборӣ ва ҷараёнҳои кӯтоҳи барқ ​​дар системаҳои барқии 10 кВ истифода мешавад ва дар зеристгоҳҳо ва системаҳои тақсимоти корхонаҳои саноатӣ ва кӯҳӣ истифода мешавад.

Қисмҳои барқии ZW20-12F 12KV дар сутуни берунӣ насбшуда, ки аз ҷониби Anqiang истеҳсол шудааст, вазифаҳои ноқилҳои вакуумӣ, бозкунак ва қисмбандиро бефосила муттаҳид мекунад.  Муҳофизати таҷҳизоти он технологияи сохтори гази мӯҳрдор, аз таркиш ва изолятсияи Toshiba VSP5-ро истифода мебарад. Қубурҳои хати воридотӣ ва баромад низ барои иҷрои беҳтари мӯҳр беҳтар карда шуданд. Механизми кори пружинӣ хурдтар карда шудааст ва схемаи асосӣ муқовимати пасти тамос дорад. Аз ин рӯ, ин ноқилҳои баландшиддати беруна як маҳсулоти бе нигоҳдорӣ ва интихоби афзалиятнок барои сӯзанакҳои ба сутун насбшуда мебошад.

Суратҳои воқеии маҳсулот

12KV Outdoor Pole Mounted Circuit Breaker

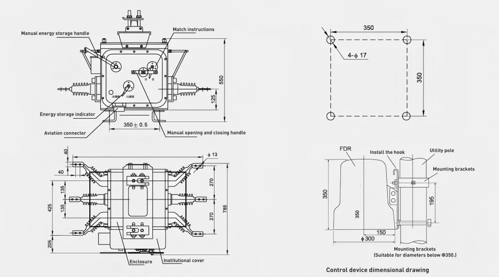
Диаграммаи андозаҳои маҳсулот

12KV Outdoor Pole Mounted Circuit Breaker

Параметрҳои техникӣ

Лоиҳа

Арзиши параметр

Шиддати номиналӣ

12кВ

Басомади номиналӣ

50 Гц

Ҷараёни номиналӣ

630/1000 А

Ҷараёни шикастани ноқилҳои кӯтоҳ

20/25 кА

Қуллаи номиналӣ муқовимат ба ҷараёни

50/63 кА

Муқовимат ба ҷараёни кӯтоҳмуддат

20/25 кА

Ҷараёни кӯтоҳи ноқили кӯтоҳ

50/63 кА

пайдарпаии фаъолияти номиналӣ

Кушодан - 0,3 сония - Пӯшидан - 180 сония - Кушодан - Пӯшидан

Ҳаёти механикӣ

10 000 маротиба

Давраи вайроншавии номиналии ҷорӣ

10 000 маротиба

Қобилияти шикастани ноқилҳои кӯтоҳ

30 маротиба

Фишори гази SF6

0Мпа


Афзалиятҳои маҳсулот

Ин рахнакунандаи барқии берунии 12 кВ дорои муҳофизати аз ҳад зиёд ва нишондиҳандаи нигоҳдории энергияи баҳорӣ мебошад.  Он инчунин бо пайвасткунаки авиатсионӣ барои пайвастҳои дуюмдараҷаи барқӣ муҷаҳҳаз шудааст, ки ба ҳамгироӣ бо контроллерҳои соҳибақл мусоидат мекунад. Фаъолияти аълои барқӣ ва механикии он ZW20-12F-ро дар беруни сутуни вакуумӣ вакуумӣ васеъ истифода мебарад.


Тегҳои гарм: 12 кВ шикастани сутуни берунии васлшаванда, шикастани барқи беруна, истеҳсолкунандаи барқи баландшиддат
Ирсоли дархост
Маълумот барои тамос
  • Адрес

    Минтақаи саноатии Ҷинлу, шаҳри Бейбайсян, шаҳри Юецин, шаҳри Венчжоу, музофоти Чжэцзян, Чин

  • Тел

  • Почтаи электронӣ

    john@chaqele.com

Барои пурсишҳо дар бораи сӯзандору, Калиди боркунӣ, Калиди ҷудокунӣ ё рӯйхати нархҳо, лутфан почтаи электронии худро ба мо гузоред ва мо дар давоми 24 соат дар тамос хоҳем буд.
X
Мо кукиҳоро барои пешниҳод кардани таҷрибаи беҳтари дидан, таҳлили трафики сайт ва фардӣ кардани мундариҷа истифода мебарем. Бо истифода аз ин сайт, шумо ба истифодаи мо аз кукиҳо розӣ мешавед. Сиёсати Корбурди Маълумоти Шахсӣ
Рад кардан Қабул кунед