Маҳсулот
Калиди ҷудокунии шиддати баланд дар дохили бино
  • Калиди ҷудокунии шиддати баланд дар дохили биноКалиди ҷудокунии шиддати баланд дар дохили бино
  • Калиди ҷудокунии шиддати баланд дар дохили биноКалиди ҷудокунии шиддати баланд дар дохили бино

Калиди ҷудокунии шиддати баланд дар дохили бино

Model:GN19-12
Anqiang Power як истеҳсолкунандаи Чини Калиди ҷудокунии баландшиддати дарунӣ мебошад. Ин коммутатори ҷудокунандаи баландшиддат як навъи дарунӣ мебошад, ки асосан дар системаҳои энергетикӣ бо шиддати номиналии 12КВ ва басомади AC аз 50 Гц ё камтар, барои иваз кардани ҷараён дар зери шиддат, вале бе сарборӣ истифода мешавад.

Калиди ҷудокунандаи баландшиддати дарунӣ Anqiang Power як навъи се қутбӣ буда, аз чаҳорчӯбаи пойгоҳ, чоҳи гардишгар, асои васлкунанда, изоляторҳои пости чинӣ, калтаки коммутаторӣ ва блокҳои терминал иборат аст. Шакли гардишкунанда дар чаҳорчӯбаи пойгоҳ васл карда шудааст, ки бо се ҷуфт фишангҳо ба боло кафшер карда шудаанд. Ин фишангхо ба воситаи чубхои васлкунан-да ва изоляторхои сафолин ба парчахои коммутатор пайваст карда мешаванд. Шакли чархзананда аз чорчубаи асосй тул кашида, хар як кисми онро ба механизми коркунанда пайваст кардан мумкин аст. GN19-12W як навъи ба ифлосшавӣ тобовар аст; GN19-12G як навъи баландкӯҳ аст; GN19-12X дорои нишондиҳандаи шиддати дарунсохт; ва GN19-12ST як калиди ҷудокунии навъи дукарата аст.

Суратҳои маҳсулот

Indoor High Voltage Disconnect Switch

Параметрҳои техникӣ

Модели ва мушаххасоти

Шиддати номиналӣ

Ҷараёни номиналӣ

Муқовимат ба ҷараёни кӯтоҳмуддат

Қуллаи номиналӣ муқовимат ба ҷараёни

GN19-12 / 400-12.5

12кВ

400А

12,5 кВ

31,5 кА

GN19-12/630-20

12кВ

630А

20кВ

50кА

GN19-12 / 1000-31.5

12кВ

1000А

31,5 кВ

80кА

GN19-12 / 1250-31.5

12кВ

1250А

31,5 кВ

80кА

GN19-12C / 400-12.5

12кВ

400А

12,5 кВ

31,5 кА

GN19-12C/630-20

12кВ

630А

20кВ

50кА

GN19-12C / 1000-31,5

12кВ

1000А

31,5 кВ

80кА

GN19-12C / 1250-31.5

12кВ

1250А

31,5 кВ

80кА

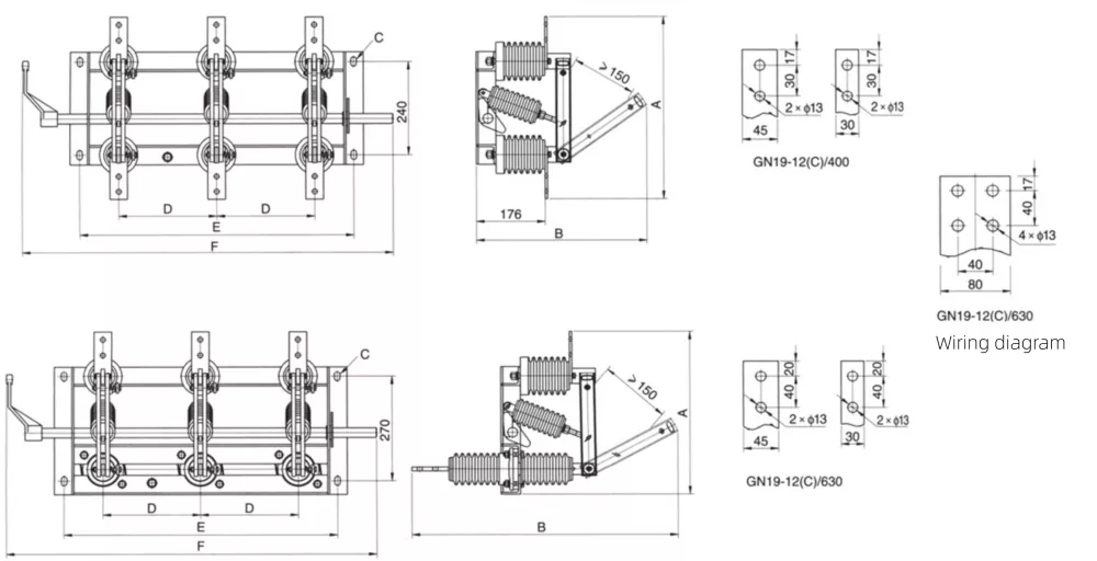
Диаграммаи андозаҳои маҳсулот

Indoor High Voltage Disconnect Switch

Модели ва мушаххасоти

A

B

C

D

GN19-12/400

450

446

185

4-14*24

GN19-12/630

470

446

185

4-14*24

GN19-12/1000/1250

510

500

196

4-18*28

GN19-12C/400

420

690

185

4-14*24

GN19-12C/630

430

690

185

4-14*24

GN19-12C/1000/1250

470

745

196

4-18*28


Тегҳои гарм: Таъминкунандаи Калиди ҷудокунии баландшиддати дарунӣ, Фабрикаи ҷудокунандаи барқ ​​​​дар дарунӣ, Истеҳсолкунандаи Калиди барқии фармоишӣ
Ирсоли дархост
Маълумот барои тамос
  • Адрес

    Минтақаи саноатии Ҷинлу, шаҳри Бейбайсян, шаҳри Юецин, шаҳри Венчжоу, музофоти Чжэцзян, Чин

  • Тел

  • Почтаи электронӣ

    john@chaqele.com

Барои пурсишҳо дар бораи сӯзандору, Калиди боркунӣ, Калиди ҷудокунӣ ё рӯйхати нархҳо, лутфан почтаи электронии худро ба мо гузоред ва мо дар давоми 24 соат дар тамос хоҳем буд.
X
Мо кукиҳоро барои пешниҳод кардани таҷрибаи беҳтари дидан, таҳлили трафики сайт ва фардӣ кардани мундариҷа истифода мебарем. Бо истифода аз ин сайт, шумо ба истифодаи мо аз кукиҳо розӣ мешавед. Сиёсати Корбурди Маълумоти Шахсӣ
Рад кардан Қабул кунед